新 Woserld S14B/D液压凿岩机 在 萍乡市, 江西省, 中国
新
Doubleclick to zoom in
请联系卖家咨询
更多照片和设备细节。
描述
沃思德S14B/D高频液压式凿岩机专为锚杆支护和地下钻探设备而设计,是一款高度通用且紧凑的锚杆凿岩机。
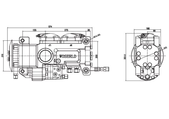
主要参数
紧凑坚固设计
沃思德S14B/D采用紧凑设计,在狭窄空间中仍能高效作业。其结构坚固耐用,可承受矿山恶劣环境中的振动、冲击及粉尘影响,显著降低因环境因素导致的故障率,确保长时间稳定运行。例如,在小型矿山开采巷道等受限空间内,S14B/D凭借其紧凑机身,可灵活移动并高效完成钻孔作业。
模块化构造与可视化磨损指示
采用模块化设计,维护时可快速定位并更换损坏模块,大幅缩短维修时间。同时,可视化磨损指示功能使操作与维护人员能直观掌握关键部件的磨损状态,便于提前制定维护计划并准备备件,从而提升设备整体使用效率与经济性。例如,当关键部件磨损接近警戒值时,可视化指示会清晰显示,提醒工作人员及时处理。



