新 特殊的美国精密上冲压制V型模具,压制下模 在 南京市, 江苏省, 中国

规格参数

新旧状况
评论
42CrMo = SCM440 = 42 CrMo4 = 4140
C
0.38-0.45
0.17-0.37
产品编号
92489793

描述

描述
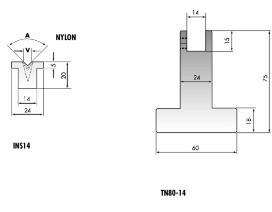
特殊的美国精密上冲压制V型模具,压制下模
描述
特制上冲制动器模具,AMADA上冲制动器模具
1,图纸和细节:

2,冲头:材料:42CrMo(最佳),加热处理,硬度45-48。
42CrMo的化学成分 , HRC 47+/- 2°。
分段式工具的优势:
1.大多数工具可以由一个操作者轻松装载。2.易于储存 所有的分段式工具都是预先切割成九块不同的。大多数分段式冲头包括两个耳片(角)Nitrex(HRC-70)是工具线中每一个冲头的标准配置.6.可提供特殊工具。
#椭圆形冲孔机#液压冲孔机#钢角冲孔机#冲孔机械#冲孔机

请向卖家询价

品牌
N/A
位置
🇨🇳 南京市, 江苏省, 中国

对这台机器有兴趣吗?

此卖家已被联系 3 时 在最后一周。

值得信赖的卖家

4.25