新 Prima AMADA 系统 11.861 Amada 冲床系统 在 南京市, 江苏省, 中国

规格参数

新旧状况
工具系统
天田系统
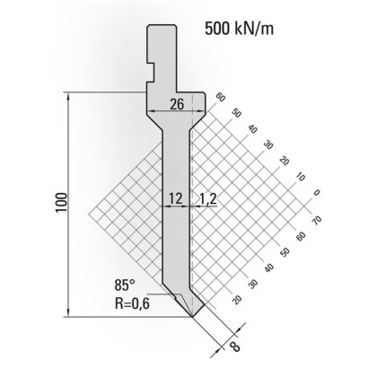
高度
100 mm
角度
85°
半径
R 0.6 毫米
负荷
最大 500 kN/m。
材料
C45,回火至 800-850N/mm²
子类别 2
Amada 系统
产品编号
91308800

描述

产品参数:
工具长度:
冲头/顶部工具
长度
835 毫米

415 毫米
835 毫米分段式
分段式冲头/顶杆作为整套工具交付
9 个分段,带左右延伸角

请向卖家询价

品牌
Prima
型号
11.861 Amada Punch System
位置
🇨🇳 南京市, 江苏省, 中国

对这台机器有兴趣吗?

此卖家已被联系 4 时 在最后一周。

值得信赖的卖家

4.25