新 D63d 直电机 在 广州市, 广东省, 中国
新
Doubleclick to zoom in
请联系卖家咨询
更多照片和设备细节。
规格参数
- 新旧状况
- 新
- 不。
- 项目;要求;备注
- 1
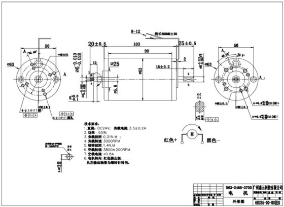
- 额定电压 (伏);24 伏;定期检查
- 2
- 额定电流 (A);3.5±0.5A;定期检查,负载测试。
- 3
- 额定功率 (W);65±5W;定期检查,功率测试时
- 4
- 额定转速(rpm);3200±150rpm;定期检查,负载测试。
- 5
- 额定扭矩 (N.M);≥0.20N.M;定期检查,通电测试。
- 6
- 卸载电流 (A);≤1.0A;定期检查,电流测试。
- 7
- 空载转速(rpm);3800±200rpm;定期检查,速度测试。
- 8
- 转向;明智;
- 9
- 隔热;B 级;
- 10
- 防护等级;IP20;
- 11
- 运行温度 (℃);-10℃-65℃;
- 12
- 储存温度(℃);-10℃-50℃;
- 13
- 储存湿度 (%); ≤85;
- 喧闹
- ≤55dB; ; 定期检查
- 摇晃
- ≤1.8mm/S; ;
- 温度上升
- ≤50℃; ;
- 安全
- 建议;(1) 在高电压、恶劣环境下和停机状态下,可能会出现电路短路、起火、冒烟等情况。因此,请对设备采取适当的保护策略。(2)电机通电时,请勿固定轴。在连续固定轴时,部分电机会发热、冒烟、打火。(无固定保护)。有必要制定政策,采取设施检测轴的情况,以消除危机并切断电源。端子连接时,请勿扭曲连接器。如果连接不充分,可能会引起火灾。此外,如果周围的物品有任何损坏,请使用防火材料连接端子。 (3) 对于导线,请充分考虑电容量和耐热性,使用适合规格的产品。 (4) 安装工作时,请勿折断电机的绕组、电线和边缘,否则会发生触电、过烧和起火!接通电源时,请勿触摸转轮(旋转部件),否则容易受伤。
- 方法
- 条件;(1)电机安装在其他设备上。电机上没有警告标记是前提条件。请告诉我们是否需要警告标记。温度对电机的使用时间有重要影响。最恶劣的温度条件为 90℃以下,这对电机来说是不允许的。(请在无法测试温度的设备中确认电机的使用时间。请勿使轴承处于持续高温下。持续高温(不超过 90℃)会导致噪音和振动,请扣除电机使用时间。如果客户自行调速,请检查并确认电压、负载波动和其他任何变化因素,以避免出现噪音、异常发热和转子锁定等情况。请确认设备在出现电压浪涌、断电、静电和噪音时不会导致误动作、电路损坏和电机连接松动。特别是使用较长导线的电机,请检查噪音的影响。请按照标准方式将电机安装到设备上。不正确的安装方式会产生噪音和振动,并缩短电机寿命。绝对禁止用手拉电线和滚筒来移动电动机。电机跌落或撞击会导致绝缘性能不稳定和损坏,请勿使用。绝对禁止拆卸电机。如果拆卸电机,其安全性和其他规格将无法保证。请勿在腐蚀性气体(H2O、S02、NO2、CL2)等有害空气和其他含有腐蚀性气体 (有机硅、氰基、苯酚)的物质环境中使用电机。此外,请检查设备是否含有这些有害物质,以免生锈和缩短使用寿命。储存时请远离腐蚀性气体和有害物质,温度必须在-10~50℃之间,湿度必须在 85% 以下,尤其是长期储存。在常规温度和湿度条件下,最长储存时间为 6 个月。电镀钢外壳损坏后可能会生锈。
- 响应性
- HOPE;(1)请确认电机和设备的结构、测量、寿命、噪音、振动、规格是否匹配。如果电机的运行超出了其规格和功能,则无法保证。如果设备的规格发生变化,或者电动机被转移到其他设备上,请事先联系。如果电动机的规格发生变化,需要书面文件或介绍。需要重新提供样品,以确认规格和功能是否不同。有可能在未事先通知的情况下,根据介绍的内容对电机的一部分进行变更,以丰富规格。如果有什么需要讨论但介绍中没有记录的内容,请提前联系。如有问题,请根据介绍内容协商解决。不要向第三方公开介绍。
- 分类
- 电动机 在 中国
- 子类别
- 直流电机系列
- 产品编号
- 87841137


