新 弹簧复位电动推杆 在 上海市, 中国

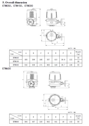
规格参数

新旧状况
子类别
弹簧复位电动推杆
产品编号
83406349

描述

弹簧复位角行程电动执行机构属于机械式执行机构类,在正常供电情况下,执行机构由电机驱动打开设备,同时弹簧储能,系统紧急断电时,弹簧释放能量驱动执行机构,使设备和装置回到安全位置(全开或全关)。整个过程安全平稳,避免造成爆管(水锤现象)。

请向卖家询价

品牌
N/A
类型
电动执行器
位置
🇨🇳 上海市, 中国

对这台机器有兴趣吗?

卖家回复率:

3.0