新 Lion King LKW系列无蜗壳离心风机 在 台州市, 浙江省, 中国

规格参数

新旧状况
子类别
空调风机
子类别 2
Machinery
产品编号
83393317

描述

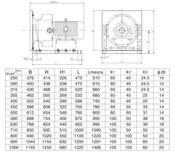
LKW系列无蜗壳离心风机采用国际先进技术自行开发设计,该系列一共13种规格风机,流量范围从500~70000 m3/h。具有结构紧凑、效率高、噪声低等特点,是各类柜式中央空调机组及其他暖通空调、净化、通风设备的配套产品。

请向卖家询价

品牌
King
位置
🇨🇳 台州市, 浙江省, 中国

对这台机器有兴趣吗?