新 分流阀系列 在 台州市, 浙江省, 中国

规格参数

新旧状况
产品编号
70924918

描述

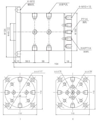
功能特点:回转台用空气油压缸用回转阀。旋转阀内部特殊设计,使旋转轴可轻力旋转,且不会泄漏。类型I是一个循环,并控制打开的剪辑。II型为双回路,可用于控制开闭动作。Rv型漏气孔管道必须隔离背压罐,以避免产生背压。技术参数:

请向卖家询价

品牌
N/A
位置
🇨🇳 台州市, 浙江省, 中国

对这台机器有兴趣吗?

卖家回复率:

5.0