新 BDZ压力闭式循环喷雾干燥机 在 无锡市, 江苏省, 中国
新
Doubleclick to zoom in
请联系卖家咨询
更多照片和设备细节。
描述
BDZ压力闭式循环喷雾干燥机
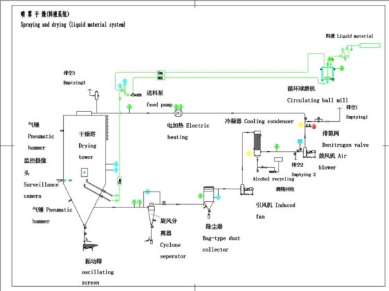
本设备是在密闭环境下进行工作的,需要在惰性气体的氛围下进行干燥,一般充氮气。主要是为了在干燥过程中防止氧化或料浆中含有易燃易爆的溶剂。通过充氮气等惰性气体,避免与空气进行接触。该设备生产的产品一致性好、流动性好,比较适合陶瓷、硬质合金等粉体。
本设备内干燥介质通常为氮气,内部一般保持正压操作,保持一定的正压值,如果内部压力下降,可由压力变送器来自动控制氮气进量,保证系统压力平衡。
压力喷雾方式,可得到平均粒径50-150μm的粉体,其显微镜下观察成球形,流动性、松装比一致性好,可满足后期自动压机的连续化生产。由于整个干燥过程是在氮气保护下完成的,有机溶剂可以同时得到回收。
压力闭式循环喷雾干燥机流程图(点击图片放大)
压力闭式循环喷雾干燥机
压力闭式循环喷雾干燥机
BDZ-300型闭式循环压力喷雾干燥机
BDZ-300型闭式循环压力喷雾干燥机
BGZ离心闭式循环喷雾干燥机




