二手 Müller Weingarten 带钢矫直机 在 弗罗伊登贝格, 北莱茵-威斯特法伦, 德国
二手
Doubleclick to zoom in
请联系卖家咨询
更多照片和设备细节。
规格参数
- 新旧状况
- 二手
- 库存编号
- 1048-7-40263
- 控制单元
- 其他 (SIEMENS S7)
- 运费基准
- EXW "按原样"。
- 交付时间
- 直接
- 片材宽度
- 2000毫米
- 板厚
- 1.8毫米
- 控制
- SIEMENS S7
- 夹持面(左-右)
- 2800毫米
- 夹持面(正面-背面)
- 2800毫米
- 高于地面的高度
- 375毫米
- 冲撞力
- 800至
- 行程
- 350毫米
- 最大笔画数
- 55 /分钟
- 柱塞调整
- 350毫米
- 关闭高度(行程向下,调整向上)
- 1100 毫米
- 柱间距离(h型框架)
- 3100毫米
- 边柱之间的自由通道(宽度)
- 2560毫米
- 边柱之间的自由通道(高度)
- 1500毫米
- 纸张最大宽度
- 2000毫米
- 纸张宽度(最小)
- 400毫米
- 线圈的最大重量
- 30至
- 线圈的最大直径
- 2000毫米
- 线圈的最小内径
- 610毫米
- 最大板材厚度
- 2毫米
- 板材厚度(最小)
- 0.6毫米
- 水平仪的数量
- 13
- 整平辊的直径
- 50毫米
- 最大的喂食步骤。
- 4000毫米
- 主电源
- 400 kVA
- 子类别
- 金属加工
- 子类别 2
- 带钢矫直机
- 子类别 3
- 钣金加工/锯齿/折弯
- 产品编号
- 61196688
描述
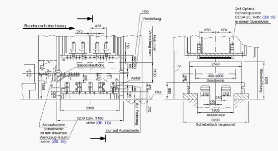
供货范围/组件:
- 带独立作物剪切机的卷材运输机
- 单面开卷机、
- 最大卷宽 2000 毫米,最大重量 30 吨
- 两个可更换的矫直装置(盒式),带 13 个矫直辊、
最大坯料厚度 1.8 毫米,最大坯料宽度 2000 毫米
- 线圈坑
- 轧辊送料机,轧辊直径 220 毫米,最大送料长度 4000 毫米
- 通过扫描仪监控油膜厚度
- 机械式冲压机 MUELLER WEINGARTEN VK 800.28.35 ( 1983)
* 最大冲程每分钟 55 次冲程
* 工作台尺寸(夹紧面 2800 x 2800 毫米
* 2 个更换工作台
350 毫米行程
- FIRST NSM 型坯料卸垛装置,带 2 个卸料工位
- 最大坯料尺寸 4000 x 2000 毫米
- 输送速度 30 - 150 米/分钟
- 最大包装重量12000 公斤
- 最大包装高度650 毫米
(在此部件上,通过可控模具完成侧板切割)
- 第二个 NSM 卸料和堆垛装置(90° 朝向流经方向)- 用于较小的坯料和成型坯料。
- 最大















