二手 二异丙醇胺 (DIPA) 再生 Comprimo B.V. 在 德国

规格参数

新旧状况
二手
子类别
机器
产品编号
100087581

描述

可用的完全件或部分件!!!
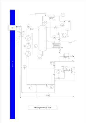
DIPA 再生与去除 H2S 以供 Claus 单元进一步处理。
制造年份 1983
流程设计由 Shell 完成
流程工程由 Comprimo B.V. 负责

DIPA 再生最大通量 1112 吨/天(DIPA 含 2,79% H2S 负载)
操作工作温度 = 102 到 106°C(最大 160°C)
操作工作压力 = 0,5 到 0,8 巴(最大 6,0 巴)
2015 – 主柱完整 CUI 程序(新涂层和绝缘层)
2022 – 停用
零件清单可通过询价获取
请把您的需求发送给我们

卖家评论

11/09/2020

The representatives are excellent. They helped me through the auction and bidding process.

请向卖家询价

品牌
Comprimo B.V.
位置
🇩🇪 德国

对这台机器有兴趣吗?

此卖家已被联系 8 时 在最后一周。

值得信赖的卖家

4.5