二手 硫磺回收(Claus-3) Edeleanu GmbH 在 德国

规格参数

新旧状况
二手
子类别
机器
产品编号
100087575

描述

可用的完整件或部件!!!
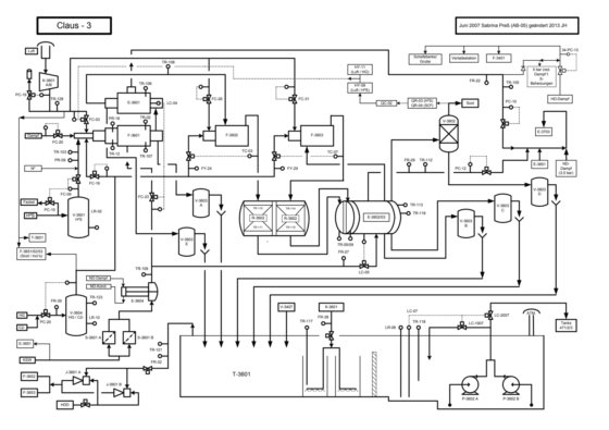
将3个DIPA再生器中产生的硫化氢转化为元素性硫。(H2S回收率=95.4%)
制造年份1983
流程设计由壳牌(Shell) Claus Prozess
流程工程由Edeleanu GmbH

实际运行通量=9到63 t/d H2S
实际运行温度=250到340°C
实际运行压力=0,3 bar
2015 – 通量(许可降低)=9 – 40 t/d H2S
2022 – 退役
通过查询可获得零件清单
请告知您的需求

卖家评论

11/09/2020

The representatives are excellent. They helped me through the auction and bidding process.

请向卖家询价

品牌
Edeleanu GmbH
位置
🇩🇪 德国

对这台机器有兴趣吗?

此卖家已被联系 9 时 在最后一周。

值得信赖的卖家

4.5